
Deurkruk op rozet
Het mooiste deurbeslag op rozet

Deurkruk op schild
Bekijk hier alle deurkrukken op schild

Deur- knoppen
Voor een strakke uitstraling

Rozetten
Passend bij deurkrukken op rozet
Binnendeurbeslag

Het mooiste deurbeslag op rozet

Bekijk hier alle deurkrukken op schild

Voor een strakke uitstraling

Passend bij deurkrukken op rozet
Buitendeurbeslag
Rozetten

Genieten in alle rust

Voor de slaapkamer deur of meterkast

Voor afsluitbare binnendeuren
Brievenbussen

In verschillende kleuren

Milieubewuste keus

Traditioneel en eenvoudig

Prijsbewuste keus

Voorkom gemiste pakketten
Sloten & Cilinders

Ideaal voor binnendeuren

Voor buitendeuren

Nieuw in ons assortiment

Strak design
Scharnieren & Paumelles
Raambeslag

Draai-kiep sluitingen

Met Raamboompjes

Genieten in alle rust

Genieten in alle rust

Scherpe prijs

Verschillende soorten en maten

Greepjes voor kastjes

Voor kastdeurtjes en laden
Schuifdeurbeslag
Overige
Aanbiedingen
Per stuk
Black Friday Maand Deals: De gehele maand hoge kortingen! Sla nu je slag.
300,00 Oorspronkelijke prijs was: 300,00 .126,25 Huidige prijs is: 126,25 .
Voor 19:00 besteld, morgen in huis
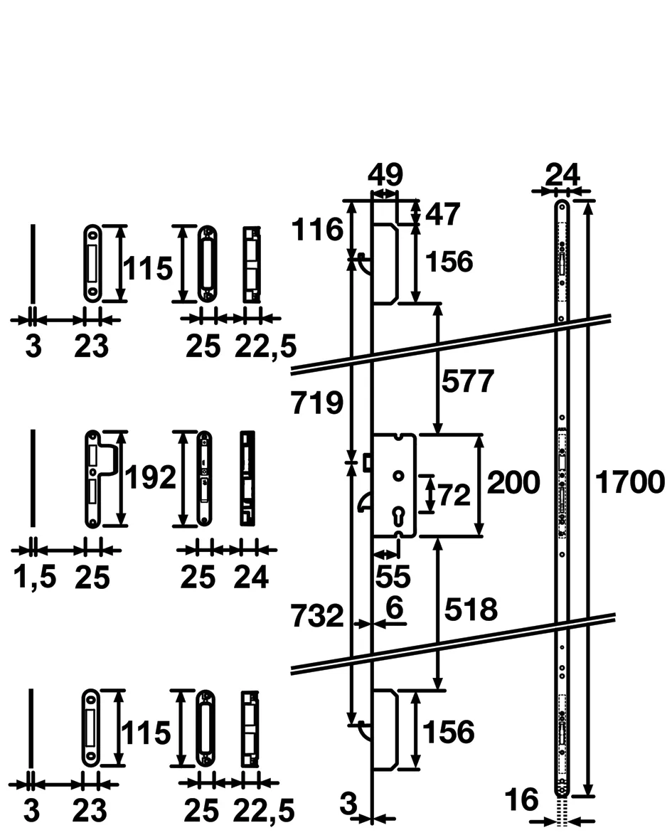
Zorg voor maximale beveiliging van uw buitendeur met dit krukbediende 3-punts veiligheidsslot. Dankzij de tandwielconstructie, gehard stalen haakschoten en verstelbare sluitkommen is de bediening soepel en duurzaam. Geschikt voor zowel links- als rechtsdraaiende deuren door de omkeerbare dagschoot. Geleverd met sluitplaten, sluitkommen en een heldere montagehandleiding. Perfect voor buitendeuren en gecertificeerd met SKG 3 en het Politiekeurmerk Veilig Wonen. Afmetingen: 1700×24 mm, materiaal: staal, afwerking: zwart. Veiligheid en kwaliteit in één pakket!
Kenmerken:
Type:
Solid C 1700×24
Toepassing:
Geschikt voor buitendeuren.
Veiligheidsinformatie:
Technische Informatie:
Montage-informatie:
Bekijk hier de montagehandleiding.
| Merk | |
|---|---|
| SKG Normering SKG (Stichting Kwaliteit Gevelbouw) test en certificeert hang- en sluitwerk op inbraakwerendheid. De SKG-classificatie wordt aangeduid met sterren. Het verschil tussen SKG** en SKG*** zit in de mate van bescherming: SKG** moet in combinatie met ander beveiligingsmateriaal worden gebruikt, terwijl SKG*** op zichzelf al een hoog beveiligingsniveau biedt. SKG*** biedt 2 minuten extra inbraakvertraging ten opzichte van SKG**. | |
| Bediening |
Krukbediend |
| Slotsparing | |
| Doornmaat De doornmaat is de afstand tussen de voorplaat van het slot en het midden van het krukgat of de cilinder. Dit is een belangrijke maat bij de keuze van een nieuw slot of deurbeslag, omdat het bepaalt hoe diep het slot in de deur zit. Hoe meet je de doornmaat? De doornmaat meet je vanaf de voorkant van de slotkast (de voorplaat) tot het midden van: -Het krukgat (bij loopsloten of kastsloten) -De cilinder (bij cilindersloten) -De vierkante stift van de WC-vergrendeling (bij wc-sloten) | |
| Afmeting Voorplaat |
1700×24 |
| PKVW |
Ja |
| Garantie | |
| Incl. bevestigingsmateriaal | |
| Materiaal | |
| Kleur |
Zwart |
| Afwerking |
Poedercoat |
| Din Norm (NL) |
Universeel |
| Dikte Voorplaat |
3 |
| Stiftmaat Krukgat |
8×8 |
| Type deur |
Buitendeur |
| Hoek vorm |
Afgeronde hoeken |
Gratis verzending
Bij Deurbeslag-expert hanteren we altijd een minimaal bestelbedrag om aan gratis verzending te komen. Hieronder vindt je meer informatie per land.
| Land | Standaard verzendkosten | Gratis verzending |
| Nederland | €4,95 | > €99 |
| Belgie | €6,95 | > €99 |
De bezorgdienst
Wij verzenden al onze bestellingen via Groenbezorgen, ofwel fietskoeriers. Dit houdt in dat alle bestellingen bij ons op de fiets worden afgehaald en waar mogelijk ook op die fiets bezorgd worden. Let op, indien jouw woonplaats niet binnen de regio van Groenbezorgen valt besteden zij het transport uit aan DHL.
Retourneren
Mocht het nodig zijn, dan kun je jouw bestelling altijd terugsturen.
Je hebt het recht jouw bestelling tot 30 dagen na ontvangst terug te sturen– dit is langer dan de wettelijke termijn van 14 dagen! Je krijgt dan het volledige orderbedrag inclusief verzendkosten gecrediteerd (let op, alleen wanneer de gehele bestelling wordt teruggestuurd). Enkel de kosten voor retour van jou thuis naar Deurbeslag Expert zijn voor eigen rekening (€6,95).
Indien je gebruik maakt van het herroepingsrecht, zal het product met alle geleverde toebehoren en – indien redelijkerwijze mogelijk – in de originele staat en verpakking aan Deurbeslag Expert geretourneerd worden. Vermeld daarnaast duidelijk je order nummer en jouw gegevens, zodat we het makkelijk en snel kunnen verwerken. Indien deze gegevens ontbreken kan het proces vertraagd worden en bij het ontbreken van bepaalde gegevens kunnen we een retour order niet verwerken. Om gebruik te maken van dit recht dien je jouw retour aan te melden door het onderstaande formulier in te vullen:
Wij zullen vervolgens het verschuldigde orderbedrag binnen 14 dagen na ontvangst van de producten jouw retour terugstorten mits het product reeds in goede staat retour ontvangen is. Doorgaans staat het bedrag vervolgens binnen drie werkdagen terug op jouw rekening (deze drie dagen kunnen dus nog bovenop de 14 dagen komen).
Binnendeurbeslag
Deurkrukken
Rozetten
WC Sluiting / Toilet rozet
Sleutelgat rozet
Cilinder Rozet
Blind rozet
Bekijk alle
Deurknoppen
Overige
Buitendeurbeslag
Brievenbussen
Sloten & Cilinders
Scharnieren & Paumelles
Raambeslag
Meubelbeslag
Schuifdeurbeslag
Aanbiedingen
Nog geen account?
Account aanmaken
Voor 19:00 besteld, morgen in huis

Title of link

Title of link

Title of link

Title of link

Title of link

Title of link

Title of link