
Deurkruk op rozet
Het mooiste deurbeslag op rozet

Deurkruk op schild
Bekijk hier alle deurkrukken op schild

Deur- knoppen
Voor een strakke uitstraling

Rozetten
Passend bij deurkrukken op rozet
Binnendeurbeslag

Het mooiste deurbeslag op rozet

Bekijk hier alle deurkrukken op schild

Voor een strakke uitstraling

Passend bij deurkrukken op rozet
Buitendeurbeslag
Rozetten

Genieten in alle rust

Voor de slaapkamer deur of meterkast

Voor afsluitbare binnendeuren
Brievenbussen

In verschillende kleuren

Milieubewuste keus

Traditioneel en eenvoudig

Prijsbewuste keus

Voorkom gemiste pakketten
Sloten & Cilinders

Ideaal voor binnendeuren

Voor buitendeurenÂ

Nieuw in ons assortiment

Strak design
Scharnieren & Paumelles
Raambeslag

Draai-kiep sluitingen

Met Raamboompjes

Genieten in alle rust

Genieten in alle rust

Scherpe prijs

Verschillende soorten en maten

Greepjes voor kastjes

Voor kastdeurtjes en laden
Schuifdeurbeslag
Overige
Aanbiedingen
Per stuk
Black Friday Maand Deals: De gehele maand hoge kortingen! Sla nu je slag.
161,12 Oorspronkelijke prijs was: 161,12 .105,10 Huidige prijs is: 105,10 .
Voor 19:00 besteld, morgen in huis
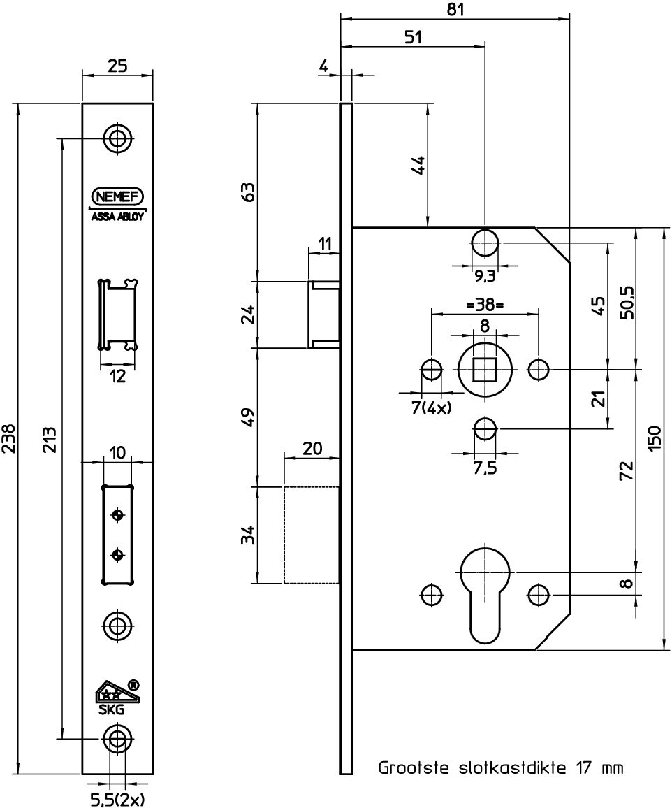
Nemef Veiligheidsslot, ronde hoek. Dit Nemef Veiligheidsslot is geschikt voor zowel rechts en links draaiende deuren. Dankzij de universele maatvoering vervangt dit slot eenvoudig een bestaand slot. Dit slot heeft een PC72 maat, en een doornmaat van 50mm. Alle montage instructies worden in de doos mee geleverd. De werktekening heeft een rechte voorplaat echter kloppen de overige afmetingen wel.
Ben je toch opzoek naar een PC55 variant? Ook deze hebben we in ons assortiment opgenomen. Klik hier voor de PC55 variant. Ook heeft Nemef Cilindersloten met een rechte voorplaat. Dat is ideaal bij bijvoorbeeld wat oudere woningen. Deze vindt je bij de gerelateerde producten.
Belangrijkste Specificaties van de Nemef Veiligheidsslot afgeronde voorplaat SKG2 PC72 – 4139/27:
Nemef staat voor betrouwbare veiligheid en vakmanschap. Dat al sinds 1921, en door de jaren heen is het merk uitgegroeid tot een begrip in de bouwwereld met tal van innovatieve producten en concepten. Onder meer binnendeursloten, veiligheidssloten, beslag, cilinders, sluitsystemen en meer.
Het grote verschil zit hem in de inbraakveiligheid. Een loopslot is enkel voor binnendeuren te gebruiken, en zijn speciaal ontworpen om lang mee te gaan bij intensief gebruik. Een Veiligheids Cilinder slot wordt enkel bij buitendeuren of voor een achterdeuren gebruikt. Deze Sloten hebben een extra dikke voor plaat, en zijn geproduceerd van hardere metalen waardoor deze sloten niet zomaar uit een deur gebroken kunnen worden. Ook de dagschoot is van gehard staal en kan niet zomaar doorgezaagd worden.
Bij Deurbeslag-expert hebben we een ruim assortiment aan verschillende Nemef sloten. Deze veiligheidssloten zijn van hoge Nederlandse kwaliteit, en beveiligen uw huis. Dankzij het SKG2 keurmerken. Daarnaast zit er standaard 12 jaar garantie op! Ook bieden wij de bijhorende binnendeur loopsloten aan waardoor jouw woning volledig en compleet uitgerust kan worden van 1 merk deursloten.
| Geschikt voor | |
|---|---|
| Finish/kleur | |
| Materiaal | |
| Draairichting | |
| SKG Normering SKG (Stichting Kwaliteit Gevelbouw) test en certificeert hang- en sluitwerk op inbraakwerendheid. De SKG-classificatie wordt aangeduid met sterren. Het verschil tussen SKG** en SKG*** zit in de mate van bescherming: SKG** moet in combinatie met ander beveiligingsmateriaal worden gebruikt, terwijl SKG*** op zichzelf al een hoog beveiligingsniveau biedt. SKG*** biedt 2 minuten extra inbraakvertraging ten opzichte van SKG**. | |
| Type deur |
Buitendeur |
| Kast Diepte |
81 |
| Kast Dikte |
17 |
| Kast Hoogte |
150 |
| Afmeting Voorplaat |
238×25 |
| Dikte Voorplaat |
4 |
| Voorplaat Vorm |
Afgerond |
| Incl. bevestigingsmateriaal | |
| Doornmaat De doornmaat is de afstand tussen de voorplaat van het slot en het midden van het krukgat of de cilinder. Dit is een belangrijke maat bij de keuze van een nieuw slot of deurbeslag, omdat het bepaalt hoe diep het slot in de deur zit. Hoe meet je de doornmaat? De doornmaat meet je vanaf de voorkant van de slotkast (de voorplaat) tot het midden van: -Het krukgat (bij loopsloten of kastsloten) -De cilinder (bij cilindersloten) -De vierkante stift van de WC-vergrendeling (bij wc-sloten) | |
| Slotsparing | |
| Veel Toegepast In |
Nederland |
| Type Dagschoot |
Mechanisch |
| Certificering |
SKG |
| Merk | |
| Collectie | |
| Garantie | |
| Type Slot |
Veiligheidsslot |
| Stiftmaat Krukgat |
8×8 |
Gratis verzending
Bij Deurbeslag-expert hanteren we altijd een minimaal bestelbedrag om aan gratis verzending te komen. Hieronder vindt je meer informatie per land.
| Land | Standaard verzendkosten | Gratis verzending |
| Nederland | €4,95 | > €99 |
| Belgie | €6,95 | > €99 |
De bezorgdienst
Wij verzenden al onze bestellingen via Groenbezorgen, ofwel fietskoeriers. Dit houdt in dat alle bestellingen bij ons op de fiets worden afgehaald en waar mogelijk ook op die fiets bezorgd worden. Let op, indien jouw woonplaats niet binnen de regio van Groenbezorgen valt besteden zij het transport uit aan DHL.
RetournerenÂ
Mocht het nodig zijn, dan kun je jouw bestelling altijd terugsturen.
Je hebt het recht jouw bestelling tot 30 dagen na ontvangst terug te sturen– dit is langer dan de wettelijke termijn van 14 dagen! Je krijgt dan het volledige orderbedrag inclusief verzendkosten gecrediteerd (let op, alleen wanneer de gehele bestelling wordt teruggestuurd). Enkel de kosten voor retour van jou thuis naar Deurbeslag Expert zijn voor eigen rekening (€6,95).
Indien je gebruik maakt van het herroepingsrecht, zal het product met alle geleverde toebehoren en – indien redelijkerwijze mogelijk – in de originele staat en verpakking aan Deurbeslag Expert geretourneerd worden. Vermeld daarnaast duidelijk je order nummer en jouw gegevens, zodat we het makkelijk en snel kunnen verwerken. Indien deze gegevens ontbreken kan het proces vertraagd worden en bij het ontbreken van bepaalde gegevens kunnen we een retour order niet verwerken. Om gebruik te maken van dit recht dien je jouw retour aan te melden door het onderstaande formulier in te vullen:
Wij zullen vervolgens het verschuldigde orderbedrag binnen 14 dagen na ontvangst van de producten jouw retour terugstorten mits het product reeds in goede staat retour ontvangen is. Doorgaans staat het bedrag vervolgens binnen drie werkdagen terug op jouw rekening (deze drie dagen kunnen dus nog bovenop de 14 dagen komen).
Binnendeurbeslag
Deurkrukken
Rozetten
WC Sluiting / Toilet rozet
Sleutelgat rozet
Cilinder Rozet
Blind rozet
Bekijk alle
Deurknoppen
Overige
Buitendeurbeslag
Brievenbussen
Sloten & Cilinders
Scharnieren & Paumelles
Raambeslag
Meubelbeslag
Schuifdeurbeslag
Aanbiedingen
Nog geen account?
Account aanmaken
Voor 19:00 besteld, morgen in huis

Title of link

Title of link

Title of link

Title of link

Title of link

Title of link

Title of link